2017年1卷1期
显示方式: |
2017, 1(1): 24-36.
doi: 10.1093/ce/zkx002
摘要:
本文介绍了丹麦风电和能源结构的现状,分析了丹麦在风力发电领域居世界领先水平的原因。丹麦政府的能源发展目标是到2050年完全摆脱化石能源,实现100%的可再生能源供给。如何实现用电侧与发电侧之间的平衡,尤其是在大规模接入风能的条件下,将极具挑战性。本文阐述了通过优化利用跨能源流的热电互联所提供的灵活性,即所谓的间接电能存储方案来进一步提升当前和未来的风电接入。文章最后总结了丹麦发展风力发电过程中所取得的各种经验和教训。
本文介绍了丹麦风电和能源结构的现状,分析了丹麦在风力发电领域居世界领先水平的原因。丹麦政府的能源发展目标是到2050年完全摆脱化石能源,实现100%的可再生能源供给。如何实现用电侧与发电侧之间的平衡,尤其是在大规模接入风能的条件下,将极具挑战性。本文阐述了通过优化利用跨能源流的热电互联所提供的灵活性,即所谓的间接电能存储方案来进一步提升当前和未来的风电接入。文章最后总结了丹麦发展风力发电过程中所取得的各种经验和教训。
2017, 1(1): 37-49.
doi: 10.1093/ce/zkx001
摘要:
循环流化床(Circulating fluidized bed,简称CFB)锅炉技术在中国劣质煤利用领域扮演着重要角色。自上世纪90年代以来,中国科技人员进行了大量改进CFB燃烧技术的工作,建立了一套全新的CFB锅炉设计理论和技术体系,实现了各种容量CFB锅炉的国产化,其广泛应用已使中国成为世界上最大的CFB锅炉供应商和使用者。在此基础上,1997年成功开发了基于流态重构的低能耗CFB锅炉技术,突破了传统的流态设计范围,有效降低了风机电耗,彻底解决了炉膛水冷壁的磨损。随后,为了提高发电效率,于2013年完成了世界首台600 MW超临界循环流化床锅炉的工程示范,该技术已在超过80台350~660 MW多种容量超临界CFB锅炉中得到验证。针对中国严格的污染排放要求,中国科技人员深度挖掘CFB燃烧技术的低排放潜力,通过提高床料质量和循环流量,仅依靠炉内脱硫和低氮燃烧即实现了原始超低排放。目前中国已启动了660 MW超超临界CFB锅炉的研制工作,该锅炉将集超高参数、超低能耗和超低排放技术于一体,预计于2020年底投入运行。本文重点回顾了中国CFB燃烧技术发展的历史进程,并总结了近期的主要成就。
循环流化床(Circulating fluidized bed,简称CFB)锅炉技术在中国劣质煤利用领域扮演着重要角色。自上世纪90年代以来,中国科技人员进行了大量改进CFB燃烧技术的工作,建立了一套全新的CFB锅炉设计理论和技术体系,实现了各种容量CFB锅炉的国产化,其广泛应用已使中国成为世界上最大的CFB锅炉供应商和使用者。在此基础上,1997年成功开发了基于流态重构的低能耗CFB锅炉技术,突破了传统的流态设计范围,有效降低了风机电耗,彻底解决了炉膛水冷壁的磨损。随后,为了提高发电效率,于2013年完成了世界首台600 MW超临界循环流化床锅炉的工程示范,该技术已在超过80台350~660 MW多种容量超临界CFB锅炉中得到验证。针对中国严格的污染排放要求,中国科技人员深度挖掘CFB燃烧技术的低排放潜力,通过提高床料质量和循环流量,仅依靠炉内脱硫和低氮燃烧即实现了原始超低排放。目前中国已启动了660 MW超超临界CFB锅炉的研制工作,该锅炉将集超高参数、超低能耗和超低排放技术于一体,预计于2020年底投入运行。本文重点回顾了中国CFB燃烧技术发展的历史进程,并总结了近期的主要成就。
2017, 1(1): 90-101.
doi: 10.1093/ce/zkx008
摘要:
丁醇中氢元素的含量与甲醇、乙醇、丙醇等其他含氧化合物相比较高,因此通过生物丁醇或生物质油中富含的丁醇制氢是一项极具前景的技术。在制氢过程中,催化剂和反应条件起到了至关重要的作用。镍和铑是丁醇蒸汽重整、氧化蒸汽重整以及部分氧化等反应中所常用的金属,而铜等添加剂则可以极大提高催化剂的活性。另外,金属-载体相互作用及催化剂制备技术决定了催化剂的制氢能力及稳定性。尽管蒸汽重整技术能耗相对较高,但由于其相比于其他热化学技术具有更高的制氢能力,因此目前学界对其有较高的关注度。氧化蒸汽重整技术及部分氧化技术虽然具有能耗较小、反应较为稳定等特点,但其制氢能力相对较低。本文详细分析了近年来通过蒸汽重整、氧化蒸汽重整、部分氧化等技术进行丁醇制氢的研究,并讨论了吸收增强式蒸汽重整、干重整等未来有望能够制氢的热动力技术研究。
丁醇中氢元素的含量与甲醇、乙醇、丙醇等其他含氧化合物相比较高,因此通过生物丁醇或生物质油中富含的丁醇制氢是一项极具前景的技术。在制氢过程中,催化剂和反应条件起到了至关重要的作用。镍和铑是丁醇蒸汽重整、氧化蒸汽重整以及部分氧化等反应中所常用的金属,而铜等添加剂则可以极大提高催化剂的活性。另外,金属-载体相互作用及催化剂制备技术决定了催化剂的制氢能力及稳定性。尽管蒸汽重整技术能耗相对较高,但由于其相比于其他热化学技术具有更高的制氢能力,因此目前学界对其有较高的关注度。氧化蒸汽重整技术及部分氧化技术虽然具有能耗较小、反应较为稳定等特点,但其制氢能力相对较低。本文详细分析了近年来通过蒸汽重整、氧化蒸汽重整、部分氧化等技术进行丁醇制氢的研究,并讨论了吸收增强式蒸汽重整、干重整等未来有望能够制氢的热动力技术研究。
2017, 1(1): 50-67.
doi: 10.1093/ce/zkx007
摘要:
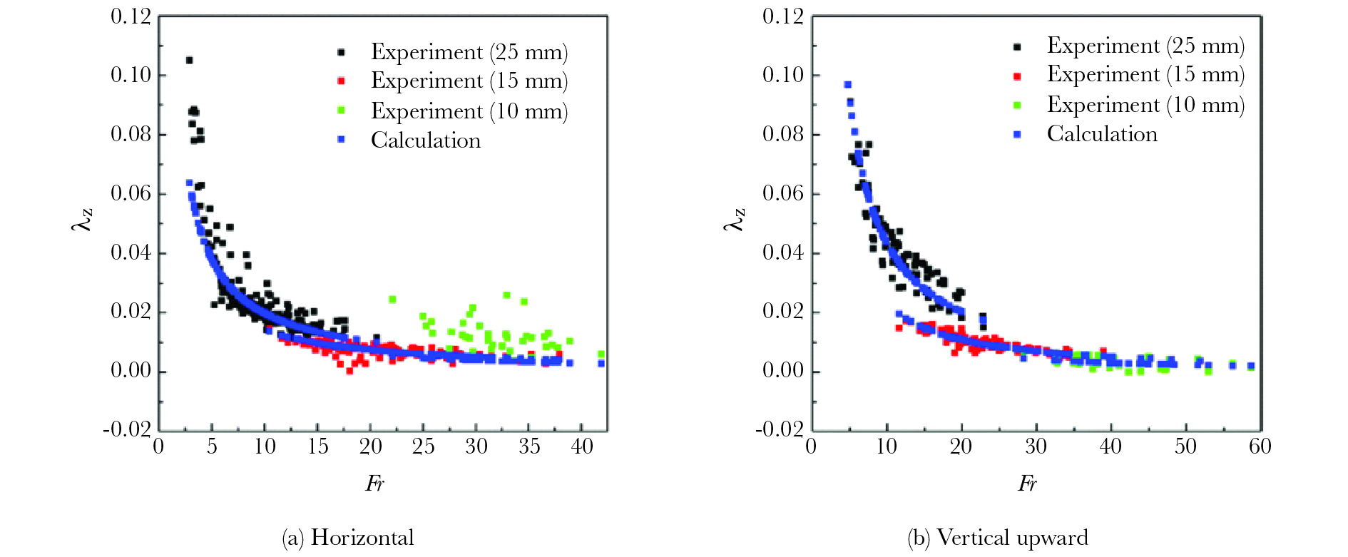
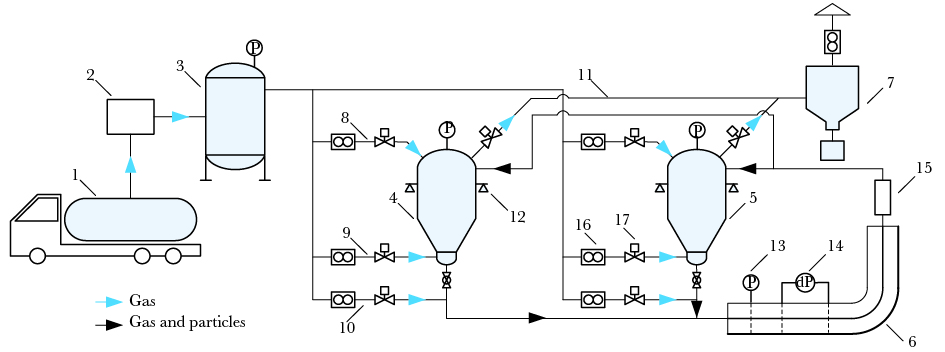
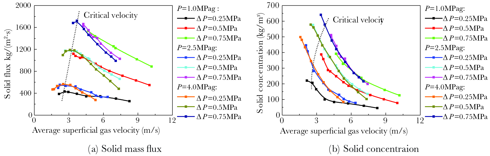
煤炭资源的清洁利用和转化对我国的能源可持续发展具有重要战略意义。气流床煤气化技术是煤炭高效清洁转化的重要途径之一。在干煤粉进料的气流床煤气化工艺中,煤粉高压密相输送特性及稳定性对气化炉的安全稳定运行至关重要。本文在实验装置上对一种高挥发分烟煤煤粉进行25 mm、15 mm、10 mm三个管径下的密相输送实验,输送背压范围1.0~4.0 MPag。对煤粉输送规律、操作参数和结构参数的影响机制进行了研究;建立了水平管和垂直上升管压降阻力计算模型,模型计算偏差在 ±30%(水平管)和 ±20%(垂直上升管)以内;提出以煤粉质量流量相对标准差为煤粉输送稳定性指标,系统分析了操作参数对煤粉输送稳定性的影响规律,并提出稳定输送的气速条件。
煤炭资源的清洁利用和转化对我国的能源可持续发展具有重要战略意义。气流床煤气化技术是煤炭高效清洁转化的重要途径之一。在干煤粉进料的气流床煤气化工艺中,煤粉高压密相输送特性及稳定性对气化炉的安全稳定运行至关重要。本文在实验装置上对一种高挥发分烟煤煤粉进行25 mm、15 mm、10 mm三个管径下的密相输送实验,输送背压范围1.0~4.0 MPag。对煤粉输送规律、操作参数和结构参数的影响机制进行了研究;建立了水平管和垂直上升管压降阻力计算模型,模型计算偏差在 ±30%(水平管)和 ±20%(垂直上升管)以内;提出以煤粉质量流量相对标准差为煤粉输送稳定性指标,系统分析了操作参数对煤粉输送稳定性的影响规律,并提出稳定输送的气速条件。
2017, 1(1): 68-79.
doi: 10.1093/ce/zkx003
摘要:
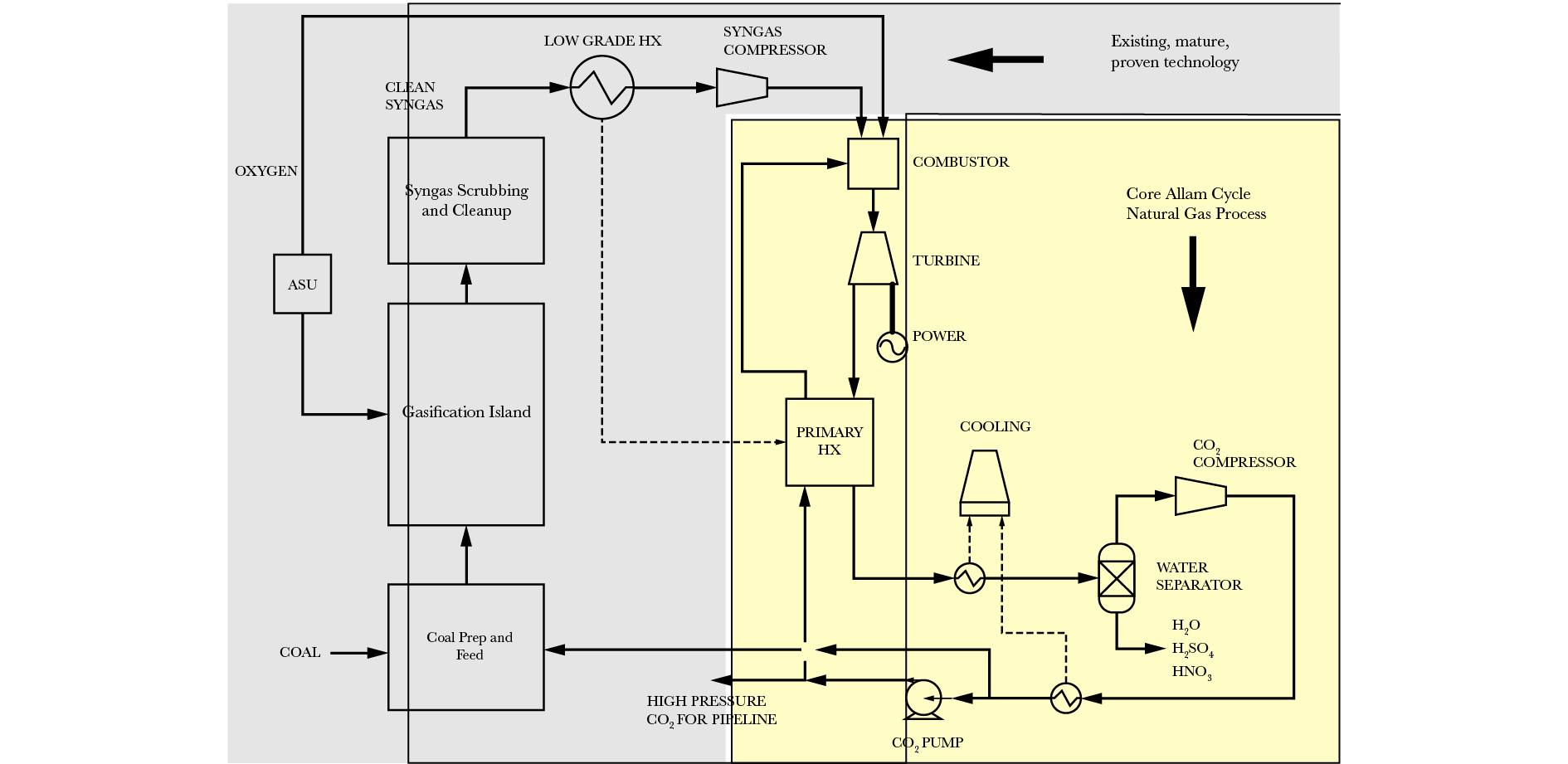
超临界CO2循环发电是一个创新型的可以将热能转化为电能的工艺概念。该工艺使用超临界CO2作为封闭或半封闭布雷顿热力循环的工作流体介质。超临界CO2热力循环有多项好处,循环的效率更高,设备尺寸更小,装置占地更少(因此资本成本也更低),且有捕集全部碳排放的潜力。能否利用超临界CO2循环的全部优势取决于能否克服一些工程和材料科学方面的问题,因为这些问题对循环的技术和经济可行性都有很重要的影响。比如,涡轮机械、同流换热器和高压富氧燃烧器的设计和建造方法在技术上都有很多问题。其他的研发工作还涉及材料选择和测试以及优化发电循环配置等。在过去几年里,全球的研究人员都做了大量的研发工作,希望将超临界CO2循环技术用于发电。在超临界CO2循环电力系统开发方面,人们已经取得一些较大的进展。一些小型的、温度较低的超临界CO2布雷顿循环发电系统已经开始投入商业市场,另外一个使用超临界CO2Allam循环工艺的示范燃气发电厂已经建成,即将启动。本文将探讨超临界CO2循环工艺用于化石燃料发电的应用情况,并且回顾超临界CO2循环发电技术的最新进展。
超临界CO2循环发电是一个创新型的可以将热能转化为电能的工艺概念。该工艺使用超临界CO2作为封闭或半封闭布雷顿热力循环的工作流体介质。超临界CO2热力循环有多项好处,循环的效率更高,设备尺寸更小,装置占地更少(因此资本成本也更低),且有捕集全部碳排放的潜力。能否利用超临界CO2循环的全部优势取决于能否克服一些工程和材料科学方面的问题,因为这些问题对循环的技术和经济可行性都有很重要的影响。比如,涡轮机械、同流换热器和高压富氧燃烧器的设计和建造方法在技术上都有很多问题。其他的研发工作还涉及材料选择和测试以及优化发电循环配置等。在过去几年里,全球的研究人员都做了大量的研发工作,希望将超临界CO2循环技术用于发电。在超临界CO2循环电力系统开发方面,人们已经取得一些较大的进展。一些小型的、温度较低的超临界CO2布雷顿循环发电系统已经开始投入商业市场,另外一个使用超临界CO2Allam循环工艺的示范燃气发电厂已经建成,即将启动。本文将探讨超临界CO2循环工艺用于化石燃料发电的应用情况,并且回顾超临界CO2循环发电技术的最新进展。
2017, 1(1): 80-89.
doi: 10.1093/ce/zkx006
摘要:
在本文的研究中,讨论了采用旋涂工艺制备自支撑金属氧化物/聚合物复合纳米膜的相关情况。首先制备了金属氧化物以及聚乙烯亚胺(PEI)和邻甲苯缩水甘油醚-甲醛共聚物(PCGF)的环氧树脂(PEI@PCGF)双层纳米膜。我们成功地制备了自支撑纳米膜,但是该纳米膜在较大幅度弯曲时,金属氧化物纳米层出现了缺陷。为克服金属氧化物纳米层的易碎问题,通过层层组装技术(LbL)向金属氧化物纳米层中引入了聚乙烯醇纳米层。通过层层组装技术制备的宏观纳米膜也是自支撑的,柔性极高。即使将层层组装的纳米膜转移至一个多孔载体上,扫描电子显微镜结果表明,纳米膜没有明显的裂纹。虽然层层组装纳米膜的柔性非常好,但是气体渗透性低,说明没有重大缺陷。我们相信层层组装纳米膜可以作为一个有效的设计分子纳米通道的平台,而分子纳米通道则是高效气体分离面临的下一个挑战。
在本文的研究中,讨论了采用旋涂工艺制备自支撑金属氧化物/聚合物复合纳米膜的相关情况。首先制备了金属氧化物以及聚乙烯亚胺(PEI)和邻甲苯缩水甘油醚-甲醛共聚物(PCGF)的环氧树脂(PEI@PCGF)双层纳米膜。我们成功地制备了自支撑纳米膜,但是该纳米膜在较大幅度弯曲时,金属氧化物纳米层出现了缺陷。为克服金属氧化物纳米层的易碎问题,通过层层组装技术(LbL)向金属氧化物纳米层中引入了聚乙烯醇纳米层。通过层层组装技术制备的宏观纳米膜也是自支撑的,柔性极高。即使将层层组装的纳米膜转移至一个多孔载体上,扫描电子显微镜结果表明,纳米膜没有明显的裂纹。虽然层层组装纳米膜的柔性非常好,但是气体渗透性低,说明没有重大缺陷。我们相信层层组装纳米膜可以作为一个有效的设计分子纳米通道的平台,而分子纳米通道则是高效气体分离面临的下一个挑战。
2017, 1(1): 102-112.
doi: 10.1093/ce/zkx004
摘要:
煤和含碳废弃物是具有一定价值的一次及二次碳载体。在目前占主导地位的线性经济中通常会燃烧此类碳资源,一方面可以发电或发热,同时也可以解决政府的废弃物处理问题。然而,这不仅是对本来能够成为化工原料的碳资源的浪费,同时也违背了国际上目前一直在推进的节能减排行动。本文提出了一种新的概念,来支持由"产生—消亡"的线性工业化模式到循环碳经济的转变。该概念通过整合能源、化工和废弃物管理模块,形成将碳废弃物用作可替代的化工原料的可循环价值链,这为碳资源循环利用提供了可行且有前景的方案。并且这一概念还能够降低碳排放量,提高主要碳资源的利用效率。此外,成功整合3个模块所必需的技术革新和发展也将在文中展开论述。为了更好的说明这一概念,对德国煤和其他含碳垃圾与进口原油一起用于化工生产的实例进行了分析。值得一提的是,在向循环经济转变过程中,科技社会中技术、体制、人三者往往产生路径依赖,本文对这一挑战也进行了详细分析。
煤和含碳废弃物是具有一定价值的一次及二次碳载体。在目前占主导地位的线性经济中通常会燃烧此类碳资源,一方面可以发电或发热,同时也可以解决政府的废弃物处理问题。然而,这不仅是对本来能够成为化工原料的碳资源的浪费,同时也违背了国际上目前一直在推进的节能减排行动。本文提出了一种新的概念,来支持由"产生—消亡"的线性工业化模式到循环碳经济的转变。该概念通过整合能源、化工和废弃物管理模块,形成将碳废弃物用作可替代的化工原料的可循环价值链,这为碳资源循环利用提供了可行且有前景的方案。并且这一概念还能够降低碳排放量,提高主要碳资源的利用效率。此外,成功整合3个模块所必需的技术革新和发展也将在文中展开论述。为了更好的说明这一概念,对德国煤和其他含碳垃圾与进口原油一起用于化工生产的实例进行了分析。值得一提的是,在向循环经济转变过程中,科技社会中技术、体制、人三者往往产生路径依赖,本文对这一挑战也进行了详细分析。




扫一扫,关注我们